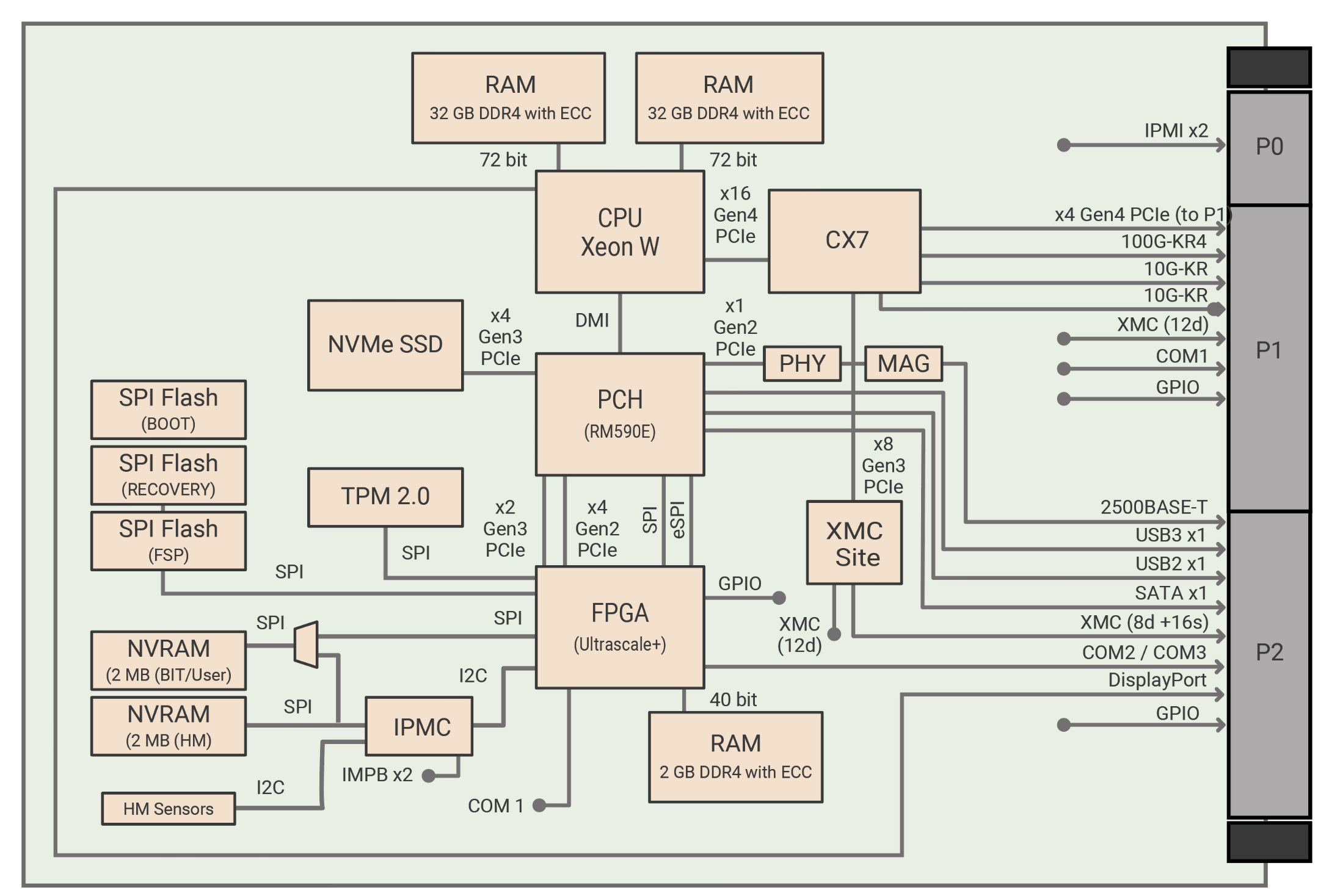
Abaco Systems dévoile la carte 3U au standard VPX référencée SBC3513L qui procure des capacités de gestion de points de terminaison de réseau TSN (Time Sensitive Networking) pour les systèmes critiques. La carte est architecturée autour d’un processeur Xeon d’Intel et d’un FPGA de Xilinx intégrant des blocs d’IP spécifiques de gestion réseau. Avec la possibilité de répondre aux exigences de bande passante à 100 Gbit/s compatibles avec les programmes majeurs d'architectures d'infrastructure des systèmes de combat au sol de l'armée américaine, les applications de l’avion à décollage verticla (FVL, Future Vertical Lift), etc.
- Carte intégrant un processeur Xeon W d’Intel, un plan utilisateur à 100 Gigabit Ethernet et un FPGA Zynq UltraScale+ de Xilinx
- Huit cœurs fonctionnant à 2,6 GHz
- 64 Go de mémoire RAM DDR4 et jusqu'à 480 Go sur un module SSD nVME
- Les E/S généralistes (GPIO) sont déportées vers le FPGA pour réduire la latence
- Carte développée conformément à la norme technique SOSA

