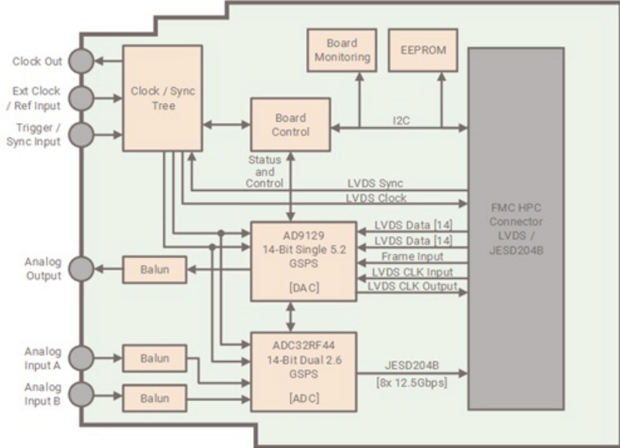
Abaco Systems (qui appartient désormais au groupe Ametek) a développé la carte mezzanine au standard FMC (FPGA Mezzanine Card, Ansi/Vita 57.1) référencée FMC165 qui offre des taux d'échantillonnage analogique élevés, un rapport signal sur bruit (SNR) amélioré et des processus de synchronisation multicartes optimisés. Elle est destinée aux applications nécessitant une conversion directe de signaux RF dans les radars/sonars, les systèmes à radio définie par logiciel et les récepteurs numériques par satellite à ultralarge bande pour la Défense....
- Carte insérable sur n'importe quel support compatible FMC/FMC+ dans des configurations refroidies par air ou par conduction
- Contrôle flexible de la source d'horloge via des bus de communication série
- Surveillance de la température avec plusieurs modes de mise hors tension pour désactiver les fonctions inutilisées afin de réduire la consommation électrique
- Convertisseur analogique-numérique ADC32RF4x de TI sur 14 bits à 2,5 Géch./s pour augmenter la fréquence d'échantillonnage et la plage dynamique
- Carte qui prolonge le cycle de vie du produit FMC160 existant avec une mise à niveau technologique

