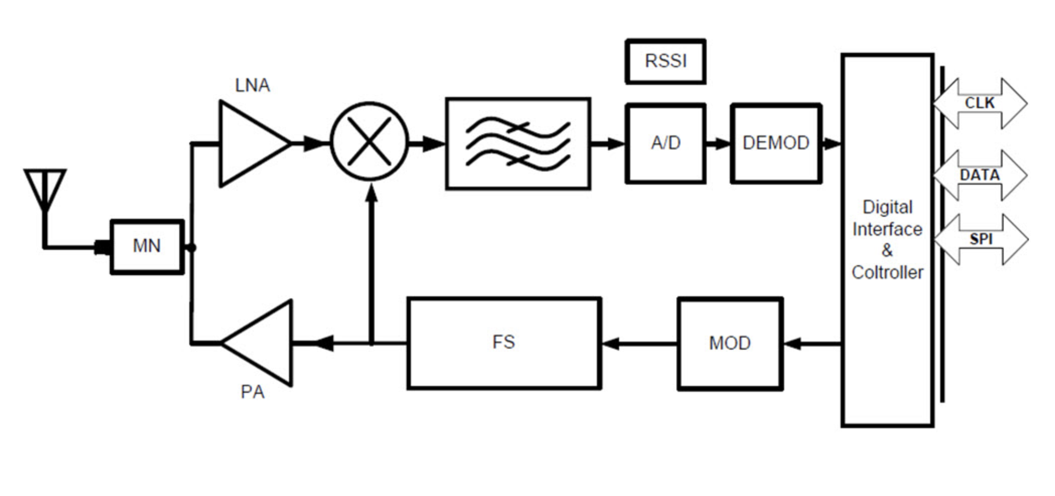
En vue de réduire les risques de conception et d’accélérer la mise sur le marché de puces-systèmes SoC, VeriSilicon propose une pile complète Bluetooth Low Energy qui a reçu la certification Bluetooth 5.3 délivrée par le Bluetooth SIG. Cette solution BLE complète intègre une IP RF développée de VeriSilicon, une IP de gestion de bande de base et une pile de protocoles logiciels. La solution cible plusieurs secteurs de l’IoT comme l’automobile, la domotique, les villes numériques, la santé…
- Sensibilité de la partie émetteur-récepteur RF de -96 dBm
- Émetteur doté d’une puissance maximale de +10 dBm
- Solution à faible consommation prenant en charge des modes d’économie d’énergie à plusieurs niveaux
- Pile de protocoles avec la certification BQB, assurant une connectivité transparente avec d’autres appareils Bluetooth
- Pile fournie avec des kits de développement logiciel complets, des conceptions de référence logicielles et des outils de test
![]()
