Les jauges de batterie dotées de l'algorithme Dynamic Z-Track de Texas Instrument ont pour ambition d’assurer une surveillance précise des batteries ou des appareils alimentés par batterie dans des applications comme par exemple les vélos électriques ou les dispositifs médicaux portables.
Ces jauges monopuce de gestion prédictive de la capacité des batteries s’appuient sur la technologie Dynamic Z-Track adaptative qui permet, par rapport aux méthodes de mesure traditionnelles, d'obtenir une précision de l'état de charge et de l'état de santé des batteries avec une marge d'erreur de l’ordre de 1 %. Ce qui contribue, selon TI, à prolonger l’autonomie des batteries jusqu'à 30 % même dans le cas d’application où les charges appliquées varient fortement.
Dans le détail, l'algorithme Dynamic Z-Track implante un modèle transitoire à large bande qui simule les transitoires de tension et s'adapte aux profils de courant dynamiques. Cette approche permet d'estimer la résistance en temps réel, même lorsque le courant est instable.
« Les méthodes traditionnelles de surveillance d’état et de fonctionnement des batteries manquent souvent de précision quand les conditions d'utilisation sont changeantes, précise Evgen Barsukov, responsable du développement de l'algorithme BMS (Battery Management System) chez TI. Les prévisions sont alors peu fiables, alors que la technologie Dynamic Z-Track, un modèle prédictif capable d’actualiser ses prévisions automatiquement dans des conditions de charge dynamiques, est adapté aux applications notamment créées par l'intelligence artificielle. Fruit de 20 ans d’expérience dans la surveillance réactive, cette innovation permet aux utilisateurs de bénéficier d'un fonctionnement plus sûr et d'un suivi plus précis du vieillissement et de l’autonomie de la batterie. »
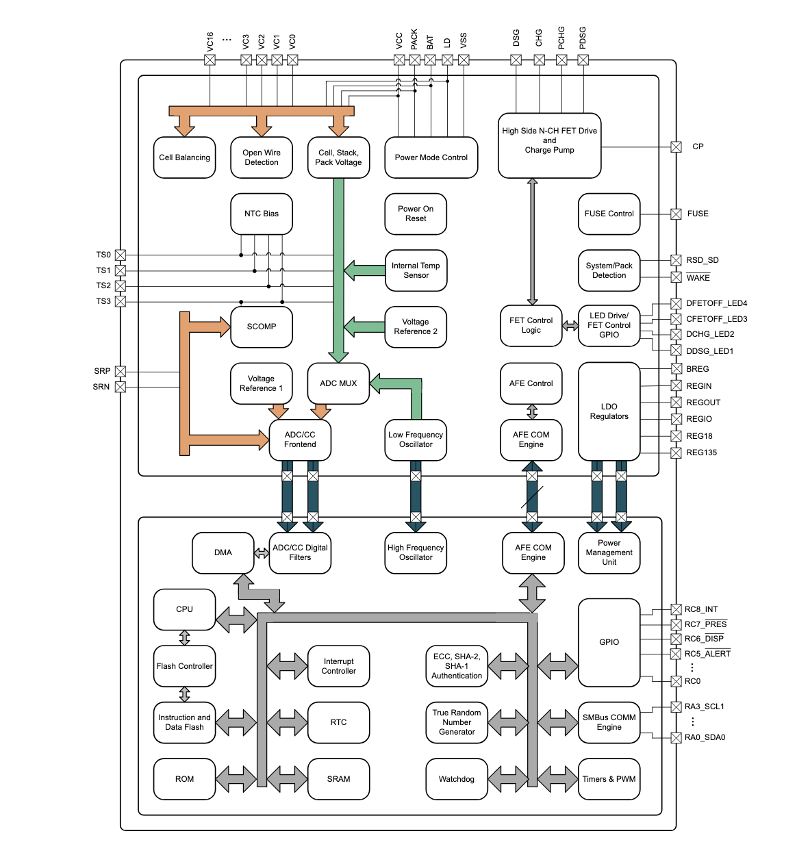
Le modèle de jauge BQ41Z90 de gestion prédictive hautement intégrée, assure la surveillance et la protection de 3 à 16 cellules de batterie lithium-ion (Li-ion) en série. Cette solution monopuce permet aux ingénieurs de réduire la complexité et d’économiser, selon TI, jusqu'à 25 % d'espace sur la carte par rapport aux solutions discrètes traditionnelles.
Le modèle BQ41Z50, quant à lui, identique dans son architecture avec le circuit BQ41Z90, prend en charge 2 à 4 cellules en série.
Ces deux gestionnaire de batterie communiquent à travers des interfaces compatibles SMBus ou I2C et combinent un processeur 32 bits ultra-faible consommation, des capacités de mesure analogiques de haute précision, une mémoire flash intégrée, une gamme d’entrées/sorties périphériques, et un répondeur d'authentification SHA-1, SHA-2 ou EC-KCDSA dans une solution de gestion de batterie complète.
Pour aider les concepteurs, des modules d'évaluation, des conceptions de référence et des modèles de simulation sont également disponibles chez TI.

