Les systèmes de numérisation de l’allemand Spectrum Instrumentation (dont le siège social est à Hambourg) et qui se connectent par un simple câble Ethernet/LXI directement à un PC, un ordinateur portable ainsi qu’à un réseau d'entreprise, s’enrichissent d’une gamme de modèles dans la série DN2.33 (digitizerNETBOX) qui opèrent dans la bande des GHz.
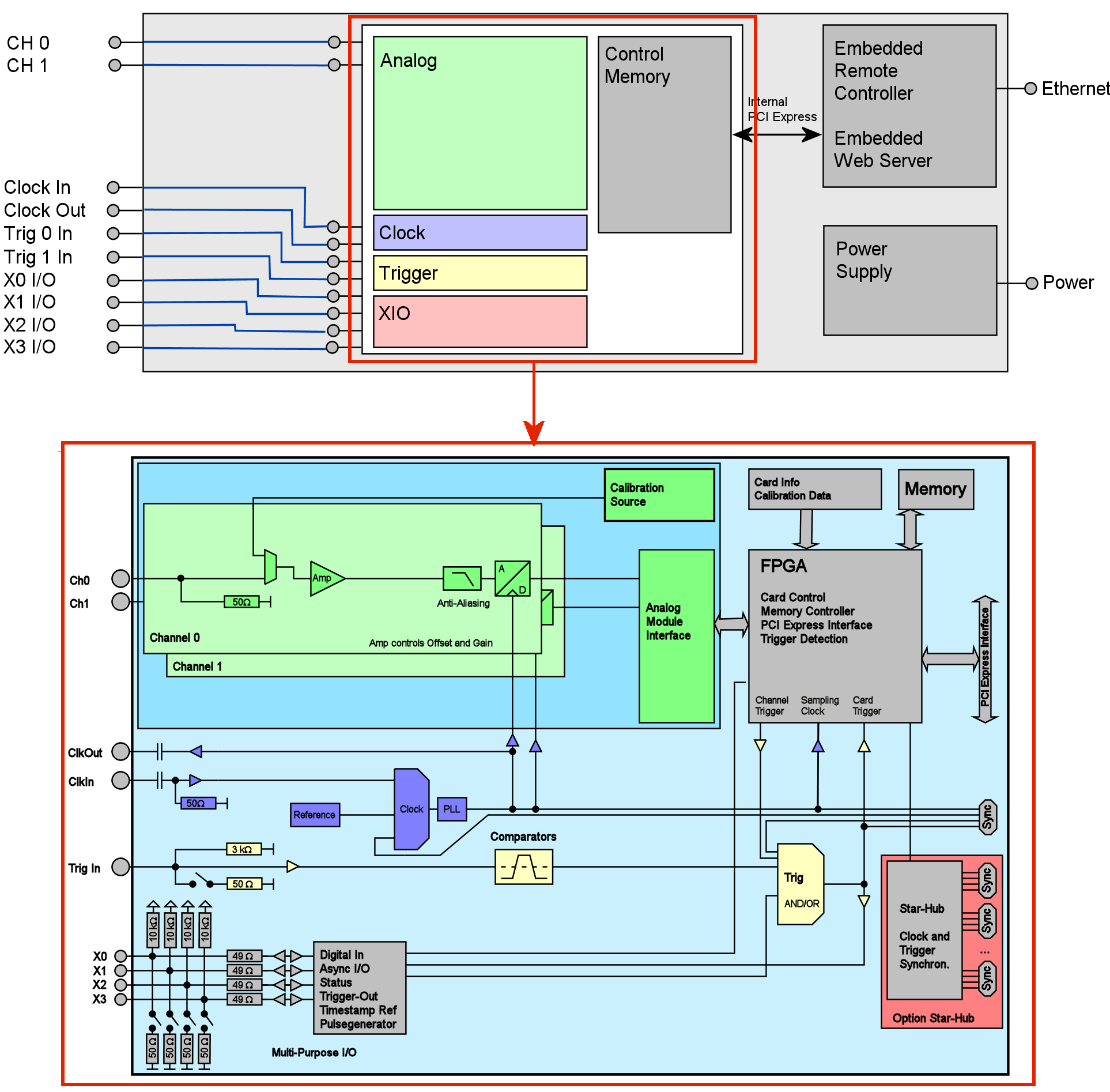
Sur ces cartes, les signaux électroniques sont numérisés par un système de conversion analogique/numérique qui échantillonne les signaux avec une résolution verticale de 12 bits sur une bande de fréquence allant de 1 à 4,7 GHz. Ces numériseurs sont destinés aux utilisateurs des secteurs de la R&D et de l'industrie qui recherchent une solution de mesure complète intégrant les outils logiciels nécessaires pour capturer, stocker et analyser les signaux.
La gamme comprend sept modèles dotés d’une ou deux voies d’entrés pour des cadences d'échantillonnage allant de 3,2 Géchantillons/s à 10 Géchantillons/s. Chaque canal dispose de son propre convertisseur analogique/numérique et d'un système de conditionnement de signal indépendant, ainsi que de la possibilité d’ajuster le niveau de gain et d’offset.
Les plages d'entrée sont programmables de ± 200 mV à ± 2,5 V. Les convertisseurs analogiques/numériques des modèles dotés de deux voies sont synchronisés ce qui permet de minimiser les erreurs de phase et d'effectuer des mesures entre les voies avec une précision absolue.
Chaque unité est fournie en standard avec une mémoire d'acquisition de 2 Giga-échantillons (4 Go) ou de 8 Giga-échantillons (16 Go) en option. Cette profondeur mémoire importante est complétée par un ensemble de modes de déclenchement "intelligents" autorisant l’acquisition et l’enregistrement de signaux problématiques, ainsi que l'horodatages du déclenchement. Des fonctions de capture de signaux transitoires, d'enregistrement multiple et de calcul de moyenne par bloc (en option) compètent l’ensemble.
Ces numériseurs sont contrôlés à travers l’outil SBench 6 Professional, le logiciel de Spectrum destiné à la gestion de l'acquisition, l'affichage, le traitement, l'analyse et le stockage des signaux ainsi que leur documentation.

