PathWave Advanced Power Application Suite, plateforme logicielle conçue pour gérer les processus de conception et de test de batteries développée par l’américain Keysight, propose désormais dans cet environnement trois applications distinctes. Objectif affiché : accélérer les cycles de développement des batteries en évitant, selon Keysight, d’avoir à mettre en place des flots de travail complexes avec leurs processus chronophages qui peuvent conduire à des résultats sujets à erreurs, surtout lorsqu’il s'agit de créer des modèles personnalisés de batteries qui nécessitent des tests approfondis.
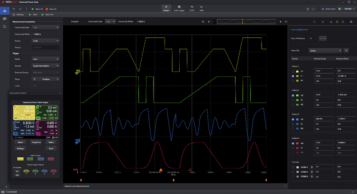
Pour ce faire, la plateforme regroupe le logiciel de mesure de courbe IV (courant-tension) de PathWave, disponible sur 40 canaux de mesure en simultané, le contrôle et l'analyse avancés de la puissance d’une batterie et le test et l'émulation de ces dernières dans un environnement unifié.
Cette plate-forme simplifie ainsi les phases de tests et d'émulation des batteries, les ingénieurs pouvant générer une forme d'onde de courant dynamique en temps réel et exporter de manière transparente les données pour les différents profils de batterie analysés.
Ainsi, selon Keysight, il est possible avec ces outils réunis de réaliser des tests précis et surtout réplicables, et de mettre en place aisément l’export de données entre l'analyse du contrôle de l'alimentation et les tests de batterie sans avoir à basculer entre différentes applications.
La solution PathWave Advanced Power Application Suite est proposée sous la forme d’une licence flexible dont le coût dépend du nombre d'instruments connectés.

